Снова редизайн, но на этот раз крайне сложная работа, так нужно было решить не только проблему эстетики фасада,
но и грамотно решить вопрос в конструктивном плане устройства плоской кровли вместо скатной.
Готовы!? Погнали, начнем из состояния «пациента» «ДО»:






Была проделана колоссальная работа.
Убрали скатную кровлю, подняли высоту второго этажа, выполнили устройство плоской плиты (монолитная плита перекрытия),
тотальное утепление всего фасада минеральной ватой в основной части в «сухом» формате, локально в зонах обшивки термодоской
предусмотрели «мокрый» вентилируемый фасад, пересмотрели размеры всех оконных проемов — ключевым желанием Заказчика было то,
что нужно было сделать максимально большие панорамные окна, который открывают великолепный вид на реку.
Я думаю, что смысла лить «воду» нет смысла, просто смотрите на то, что мы смогли «выжать» из данной ситуации.
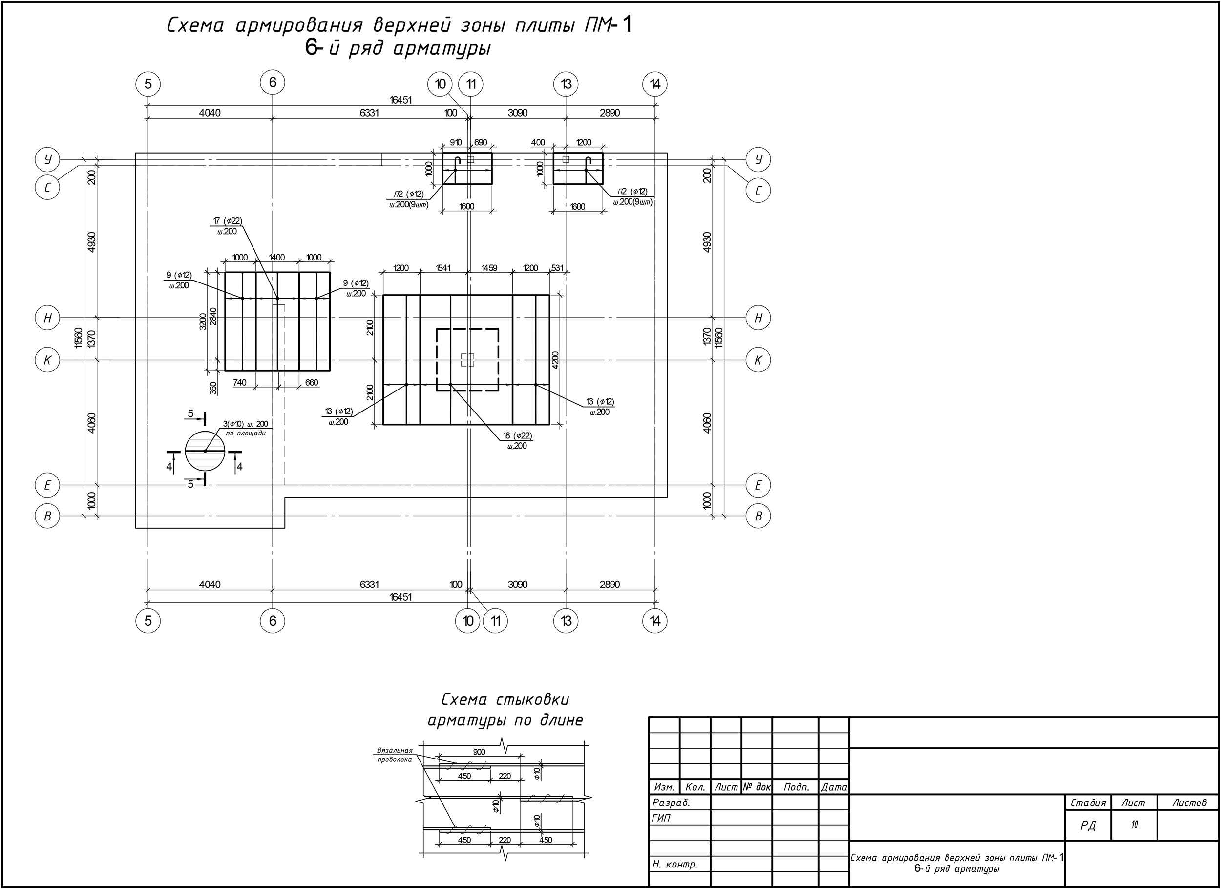
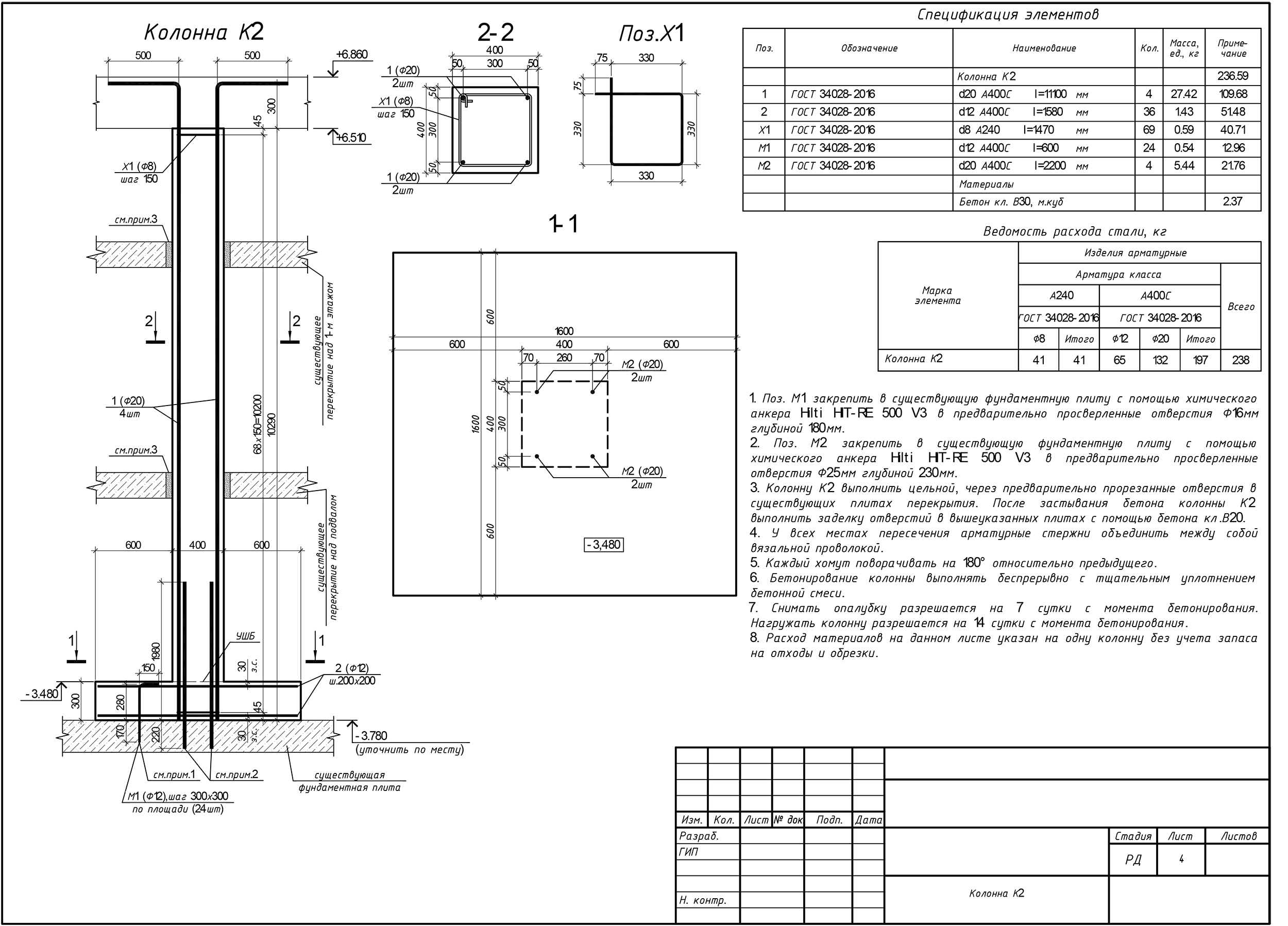
Ниже также покажу часть пакета чертежей, чтобы было понимание, что это не просто «картинки».











Наверное самое приятное, что человек доволен нашими трудами и написал небольшой отзыв:)


